
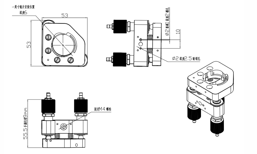
N82K16ZT25为三维偏转运动型调节架,它是通过3个手动粗调与压电精调相结合的直线压电促动器与镜架组合,实现镜片高精度角度调节。宏动粗调是通过外部壳体上的高精度微细螺纹实现的,手动旋转滚花部分进行宏动调节,宏动部分调节角度可达±4°/轴,且宏动调节配有锁紧螺母,可对宏动调节的位置进行锁定。压电精调部分采用PZT压电陶瓷驱动,对其施加电压以实现微动精调运动,微动调节角度可达0.5mrad/轴(≈103秒)。使用过程中可以通过手动粗调实现大行程调整,再通过压电精调实现纳米级的位移与精度,广泛应用于大行程且高精度的使用场景。
产品特点

|
|
|
|
|
|
|
|
|
产品应用

|
|
|
|
|
|
|
|
|
|
推荐控制器
|
| 技术参数 | ||
|
型号 |
N82K16ZT25 |
单位 |
|
运动自由度 |
θx、θy、Z |
|
|
宏动偏摆角度(手调) |
±4/轴 |
° |
| 宏动直线行程(手调) | 4 | mm |
|
微动偏摆角度(压电) |
0.5/轴 |
mrad±20% |
|
微动驱动电压 |
0~150 |
V |
|
分辨率 |
0.7 |
μrad |
|
镜片直径 |
25.4(1英寸) |
mm |
|
工作温度 |
-25~85 |
℃ |
|
静电容量 |
0.8/轴 |
μF±20% |
|
材质 |
不锈钢 |
|
|
重量 |
250 |
g±5% |
|
|
||||||||||||


