
XD611.XYZ500 压电纳米定位台是一款三维运动的压电平 台,行程可高达 500μm,适用于小型样品的三维纳米定位应用。
产品特点

|
|
|
|
|
|
|
|
|
|
运动方向
|
产品应用

|
|
|
|
|
|
|
|
|
|
| 技术参数 | ||||
|
型号 |
XD611.XYZ500S |
XD611.XYZ500K |
单位 |
|
|
运动自由度 |
X、Y、Z |
X、Y、Z |
|
|
|
驱动控制 |
3路驱动,3路传感 |
3路驱动 |
|
|
|
标称行程(0~120V) |
400/ 轴 |
400/ 轴 |
µm±20% |
|
|
Max.行程范围(0~150V) |
500/ 轴 |
500/ 轴 |
µm±20% |
|
|
传感器类型 |
SGS,全闭环 |
- |
|
|
|
分辨率 |
18 |
7 |
nm |
|
|
闭环线性度 |
0.1 |
- |
%F.S. |
|
|
重复定位精度 |
0.05 |
- |
%F.S. |
|
|
空载谐振频率 |
X0.08/Y0.13/Z0.08 |
X0.08/Y0.13/Z0.08 |
kHz±20% |
|
|
承载能力 |
水平安装 |
0.2 |
0.2 |
kg |
| 立式安装 | 0.02 | 0.02 | ||
| 倒置安装 | 0.02 | 0.02 | ||
|
静电容量 |
14.4/ 轴 |
14.4/ 轴 |
μF±20% |
|
|
重量(含线) |
850 |
850 |
g±5% |
|
|
材质 |
钢、铝 |
钢、铝 |
|
|
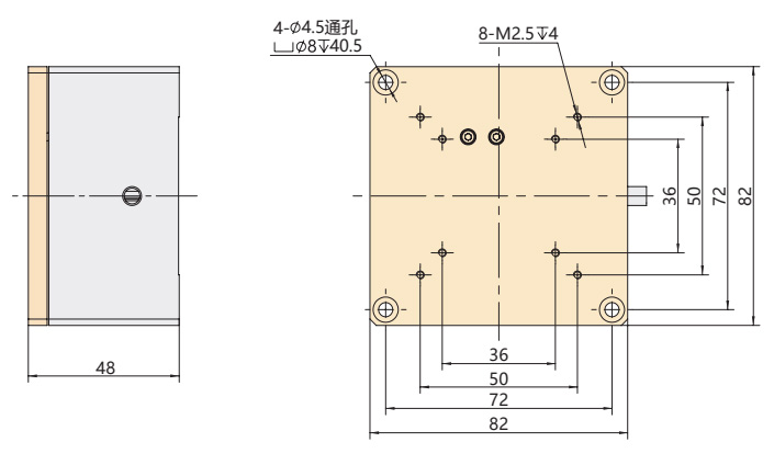
注:以上参数是采用 E00/E01 系列压电控制器测得。最大驱动电压可在 -20V~150V;对于高可靠的长期使用,建议驱动电压在 0~120V。
| 安装方向 |
水平安装 |
立式安装 |
倒置安装 |
| 释义 |
将PZT平台水平放置安装,运动面位于PZT
平台的上方,运动面与水平面平行。 PS:参数表中承载能力默认方向 |
将PZT平台立式放置安装,运动面与重力方向平行 PS:存在多种立式安装方式,技术参数对应最低承载 |
将PZT平台水平放置,但运动面位于定位台的下方 |
| 示意图 |
![]() |
![]() |
![]() |
| 备注 |
当安装方式选择为立式安装时,需注意出线口 |
||
|
|
||||||||||||
应用案例

|
硬盘测试
|
显微镜探针校准
|
迈克尔逊干涉仪
|


