
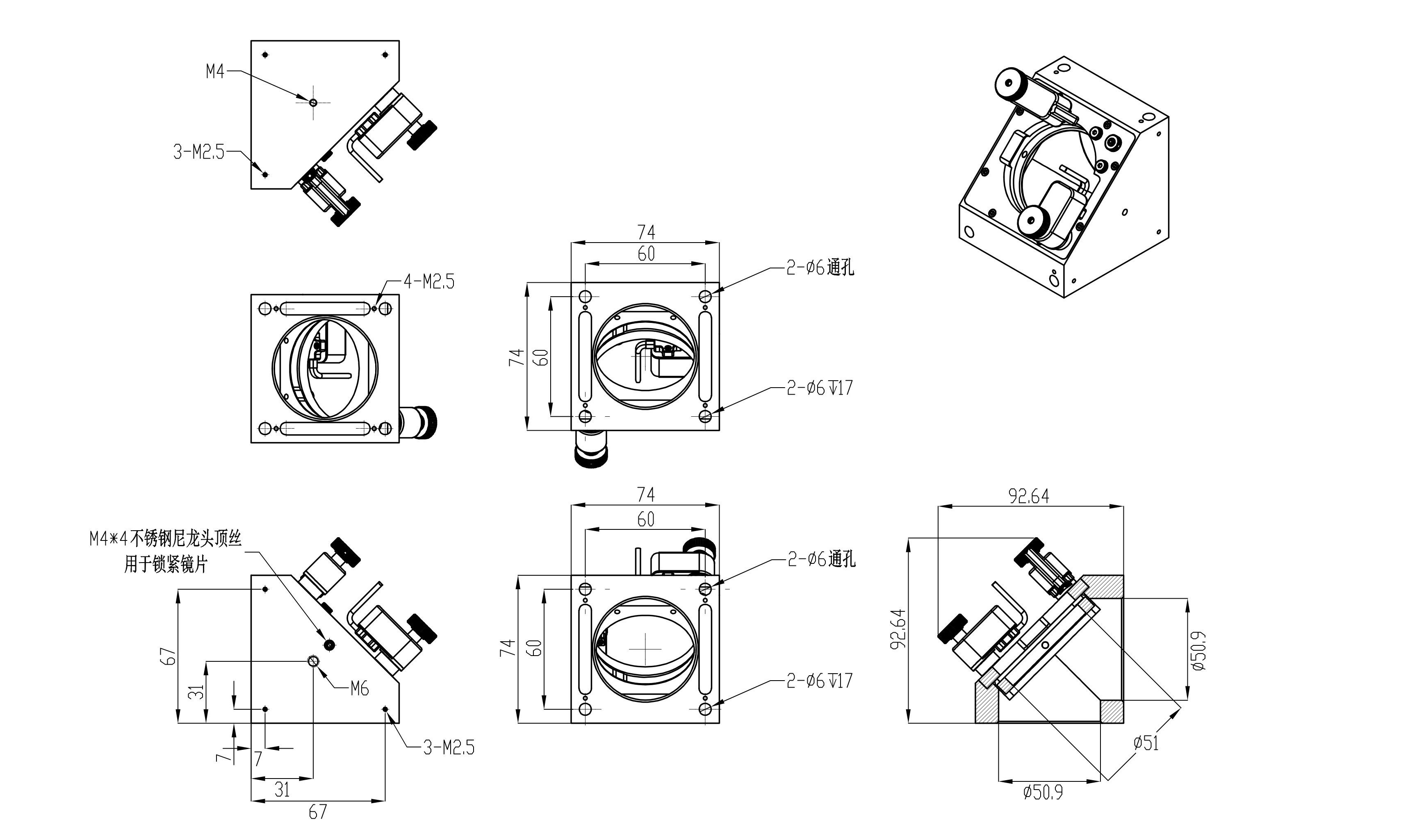
N81K8T50-C 压电镜架是专为笼式结构中反射镜片自动 角度偏转应用而设计,它具有两个直线促动点,可进行反射镜片的二维 θx θy 偏转运动调节。
产品特点

|
|
|
|
|
|
|
|
|
|
产品应用

|
|
|
|
|
| 技术参数 | ||
|
型号 |
N81K8T50-C |
单位 |
|
镜片直径 |
50.8 |
mm |
|
电动轴 |
2 |
个 |
|
最大角度范围 |
±2 |
° |
| 分辨率 | 0.5 |
μrad±20% |
|
促动器 |
压电螺钉促动器 |
|
|
工作温度 |
10~40 |
℃ |
|
推荐控制器 |
E53.C4K-H/E53.C1K-K |
|
|
压电螺钉连接器 |
RJ11 |
|
|
|
||||||||||||
应用案例

|
笼式结构
|
低温真空
|


