
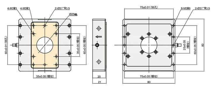
P78A.Z200系列大负载压电纳米定位台是一维Z向运动的纳米定位台,它的行程可达200μm,中心具有φ25mm通孔,适用于透射光应用。
产品特点

|
|
|
|
产品应用

|
|
|
|
|
|
|
|
|
|
| 技术参数 | ||||
|
型号 |
P78A.Z200S |
P78A.Z200K |
单位 |
|
|
运动自由度 |
Z |
Z |
|
|
|
传感器 |
SGS |
- |
|
|
|
驱动控制 |
1路驱动,1路传感 |
1路驱动 |
|
|
|
标称行程范围(0~120V) |
160 |
160 |
μm±10% |
|
|
Max.行程范围(0~150V) |
200 |
200 |
μm±10% |
|
|
闭/开环分辨率 |
10 |
3 |
nm |
|
|
线性度 |
0.2 |
- |
%F.S. |
|
|
重复定位精度 |
0.15 |
- |
%F.S. |
|
|
承载能力 |
水平安装 | 0.2 |
0.2 |
kg |
| 立式安装 | 0.02 | 0.02 | ||
| 倒置安装 | 2 | 2 | ||
|
重量 |
260 |
260 |
g±5% |
|
|
静电容量 |
28.8 |
28.8 |
μF±20% |
|
|
材质 |
铝合金、不锈钢 |
铝合金、不锈钢 |
|
|
| 安装方向 |
水平安装 |
立式安装 |
倒置安装 |
| 释义 |
将PZT平台水平放置安装,运动面位于PZT
平台的上方,运动面与水平面平行。 PS:参数表中承载能力默认方向 |
将PZT平台立式放置安装,运动面与重力方向平行 PS:存在多种立式安装方式,技术参数对应最低承载 |
将PZT平台水平放置,但运动面位于定位台的下方 |
| 示意图 |
![]() |
![]() |
![]() |
| 备注 |
当安装方式选择为立式安装时,需注意出线口 |
||
|
|
||||||||||||


