
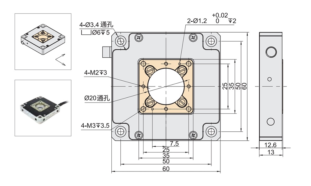
P16 系列小体积压电纳米定位台为 XY 轴平移扫描台,机构放大设计原理,中心具有通孔,该系列扫描台行程可达 80μm,开环、闭环可选。方形移动台面,便于与外部机械结构安装连接。
P16.XY50为二维XY轴小体积压电纳米定位台,运动范围为50μm/轴,产品结构紧凑,中心大透光孔,适合于显微及扫描中的样品定位。压电驱动、无摩擦、柔性铰链导向系统使得这一系列产品可实现纳米级的分辨率,毫秒级的响应时间。
产品特点

|
|
|
|
|
|
|
|
|
|
|
|
|
外观形状
|
产品运动示意图
|
台体采用机构放大式驱动设计,行程范围大
|
|
刚度大、谐振频率高、负载能力大
P16 系列压电扫描台为 XY 轴平移扫描台,机构放大设计原理,中心具有通孔,该系列扫描台行程可达 80μm,开环、闭环可选。方 |
平稳和准确的扫描圆形驱动 精准圆形驱动控制,可以通过精切定位XY平台的每一轴,采用正弦波90°相差输入,也可以通过PID修正位移进行调整,根据频率幅值以及负载使得驱动控制平稳准确。
|
应用实例-镜架二维XY调节 P16.XY二维压电扫描台以其大承载、高频率等特点,应用于光路调整实验中,带载大镜架做XY轴精密运动。
|
|
|
|
产品应用

|
|
|
|
|
|
|
|
|
|
|
|
|
|
|
P16全系列产品

|
|
|||
|
|
| 技术参数 | ||||
|
型号 |
尾缀S-闭环 |
P16.XY50S |
P16.XY50K |
单位 |
|
尾缀K-开环 |
||||
|
运动自由度 |
X、Y |
X、Y |
|
|
|
运动和定位 |
||||
|
驱动控制 |
2 路驱动,2路传感 |
2 路驱动 |
|
|
|
标称行程范围(0~120V) |
40 |
40 |
µm/轴±10% |
|
|
Max.行程范围(0~150V) |
50 |
50 |
µm/轴±10% |
|
|
传感器类型 |
SGS |
- |
|
|
|
通孔尺寸 |
Ø20 |
Ø20 |
mm |
|
|
分辨率 |
1.5 |
0.5 |
nm,typ. |
|
|
闭环线性度 |
1 |
- |
%F.S. |
|
|
闭环重复定位精度 |
1 |
- |
%F.S. |
|
|
俯仰/偏航/滚动 |
<20 |
<20 |
µrad |
|
|
机械性能 |
||||
|
运动方向推/拉力 |
30/10 |
30/10 |
N |
|
|
运动方向刚度 |
X0.5/Y0.5 |
X0.5/Y0.5 |
N/µm±20% |
|
|
空载谐振频率 |
500 |
500 |
Hz±20% |
|
|
空载阶跃时间 |
10 |
0.8 |
ms±20% |
|
|
承载能力 |
水平安装 |
1.5 |
1.5 |
Kg |
| 立式安装 | 0.05 | 0.05 | ||
| 倒置安装 | 1.5 | 1.5 | ||
|
驱动性能 |
||||
|
静电容量 |
1.8 |
1.8 |
μF/轴±20% |
|
|
其他 |
||||
|
工作温度范围** |
-20~80 |
-20~80 |
°C |
|
|
材质 |
钢、铝 |
钢、铝 |
|
|
|
外形尺寸(长×宽×高) |
60×60×13 |
60×60×13 |
mm |
|
|
重量 |
200 |
200 |
g±5% |
|
|
出线长 |
1.5 |
1.5 |
m±10mm |
|
|
传感/电压连接器*** |
LEMO |
LEMO |
||
** 可定制低温版本及高真空版本。
***连接器可定制。
注:以上所提参数与测试环境、测试设备有关。
注:以上参数是采用E00/E01系列压电控制器测得,Max.驱动电压可在-20V~150V;对于高可靠的长期使用,建议驱动电压在0~120V。
| 安装方向 |
水平安装 |
立式安装 |
倒置安装 |
| 释义 |
将PZT平台水平放置安装,运动面位于PZT
平台的上方,运动面与水平面平行。 PS:参数表中承载能力默认方向 |
将PZT平台立式放置安装,运动面与重力方向平行 PS:存在多种立式安装方式,技术参数对应最低承载 |
将PZT平台水平放置,但运动面位于定位台的下方 |
| 示意图 |
![]() |
![]() |
![]() |
| 备注 |
当安装方式选择为立式安装时,需注意出线口 |
||
|
|
||||||||||||
应用案例

|
笼式结构
|
低温真空
|
纳米压印
|
|
超分辨率显微成像
|
红外超分辨率成像
|
激光直写
|
|
提高CCD分辨率
|
干涉测量
|
显微镜探针校准
|
|
纳米光刻
|
|
|
|
|
|
|
陶瓷转接头 |
氧化铝转接头 |
金属转接头 |
促动器柔性转接头 |
|
|
|
|
|
|
钨钢垫片 |
热稳定散热片 |
促动器与平台转接座 |
促动器测试支架 |
|
|
|
|
|
|
粘镜片胶水 |
P34 镜片转接架 |
P32/ P33 镜片转接架 |
P32/P33 镜片转接座 |
|
|
|
|
|
|
P22 测试支架 |
P32/P33 测试支架 |
P34 测试支架 |
P31/P54 测试支架 |
|
|
|
|
|
|
BNC转LEMO |
BNC转鱼夹 |
单芯LEMO座转鱼夹 |
单芯LEMO线 |
|
|
|
|
|
|
BNC连接头转鱼夹 |
LEMO 连接器 |
测试支架 |
磁力表座 |


